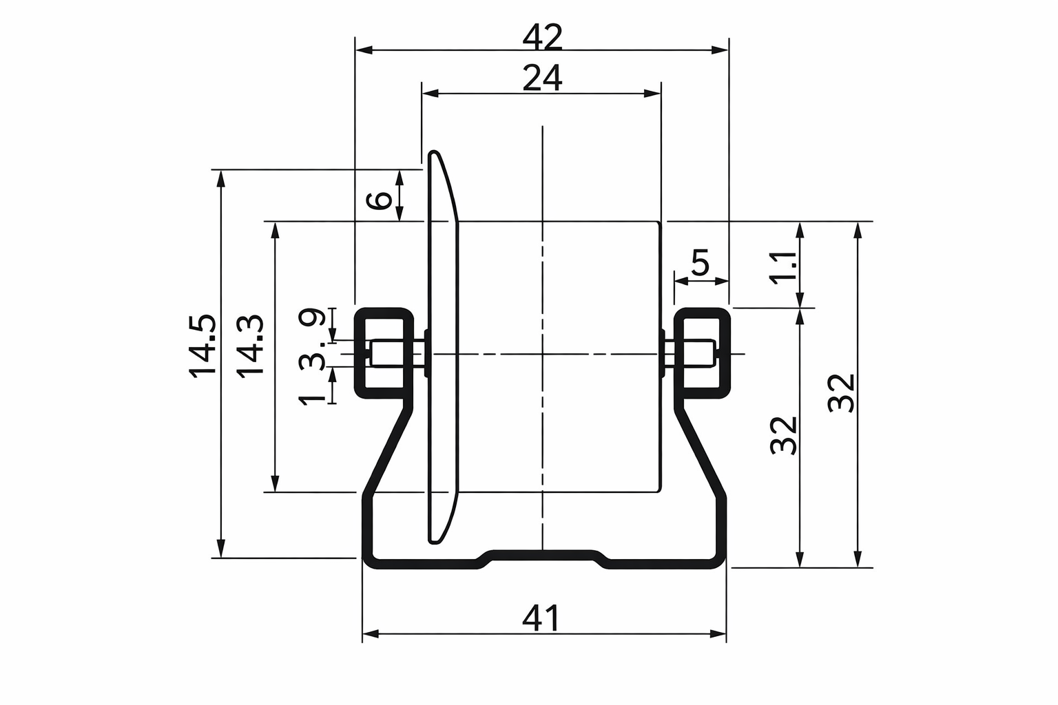
Pipe Roller Track 40A

Part Number : 777 101 007

Standard Length : 4 Mtr

Weight/Pcs :  4.88 kg

Weight/Mtr :  1.22 kg

Weight/Box :  5.55 kg

Wheel Size :  45 – 33 x 24

Wheel Pitch :  47 mm

Load Carrying Capacity : 60 Kgs/Mtr on 2 Chute

Category: